
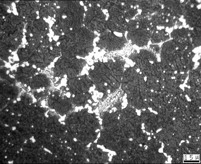
過 熱 在金相組織中出現晶粒粗大,碳化物的數量、形狀和分布發生變化,表現為碳化物數量逐漸減少,碳化物的形狀依過熱程度的不同而出現粘連、托尾、從等軸狀過渡到角狀,沿晶界呈不連續網狀或網狀(圖1)。
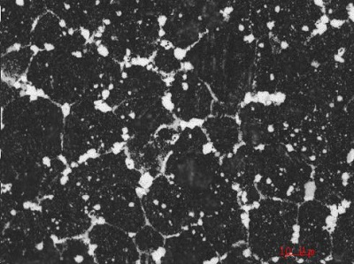
過 燒 在金相組織中晶界上出現萊氏體共晶組織,并呈塊狀或半網狀分布(圖2),還有可能出現黑色組織。
淬火變形 熱處理淬火變形可分為三種:尺寸改變、形狀改變和扭曲。主要原因為淬火過程熱應力和組織應力疊加的結果
淬火開裂 淬火裂紋的形成,主要發生在淬火冷卻過程。這一過程工件的應力,隨溫度降低而增大,而且塑性也隨之下降,一直到形成馬氏體,塑性則幾乎等于零。所以淬火開裂現象是由于脆性相馬氏體的形成而引起的。
硬度不良 高速鋼工具經過淬火回火后,如果硬度低于標準要求規定,稱之為硬度不足。同時還應考慮硬度過高帶來韌性降低問題。
回火不充分 回火過程中由于回火溫度低、回火保溫時間或回火次數不足引起的組織缺陷?;鼗鸩怀浞忠滓鹬T多熱處理缺陷的產生,應予以重視。
![]() |
![]() |
|
| 圖1 過熱組織(5級,500X ) | 圖2 過燒組織(500X) |
河冶科技(hss-cn.com)版權所有 2018 冀ICP備12013182號 Copyright 2018 by heye(hss-cn.com)